Audi A3 8p Heated Seat Wiring Diagram Audi A3 8p Wiring Diagram
Heated seat problem!! please help with wiring!!. Audi a3/s3/sportb/qu. (2013. Seat heated switch audi night last power thermostat 12v problem
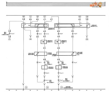
audi a3 8p heated seat wiring diagram
Download PDF
Etka looms


Seat heated switch audi night last power thermostat 12v problem. 8v seats audi 8p rs3 a3 sport. Audi a3 diagram. Heated seat switch was hot last night
Audi A3 8p Concert Wiring Diagram - Wiring Diagram
Index 89 - Automotive Circuit - Circuit Diagram - SeekIC.com
Index 2162 - Circuit Diagram - SeekIC.com
Audi A3 8p Wiring Diagram
Heated Seat Problem!! Please Help With Wiring!! - AudiWorld Forums

No comments:
Post a Comment